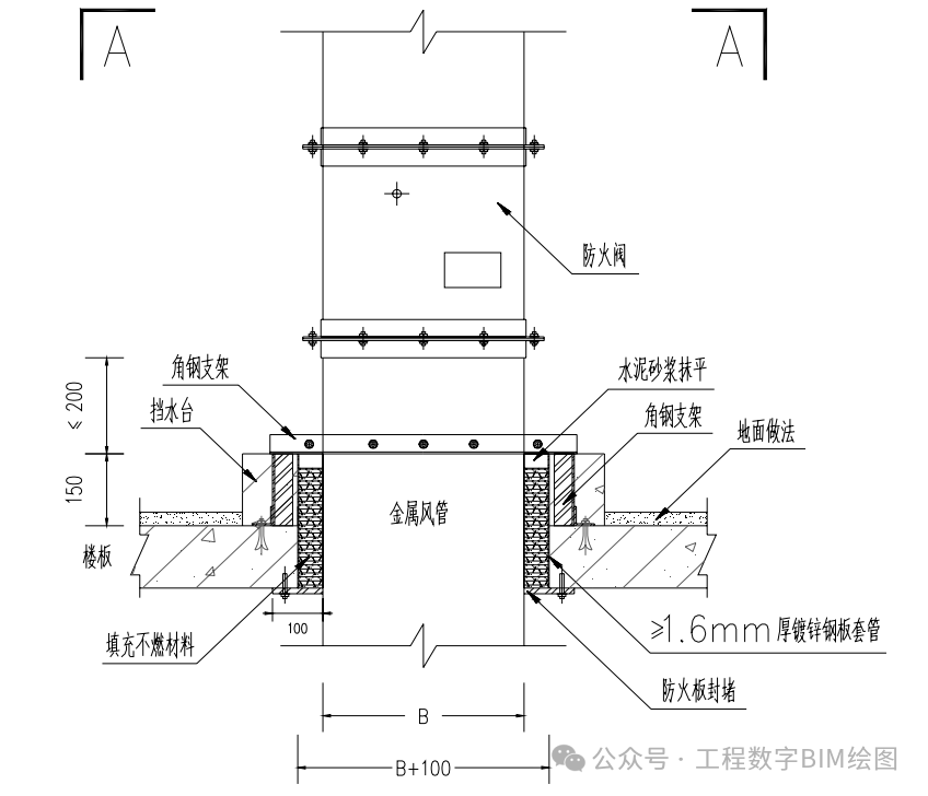
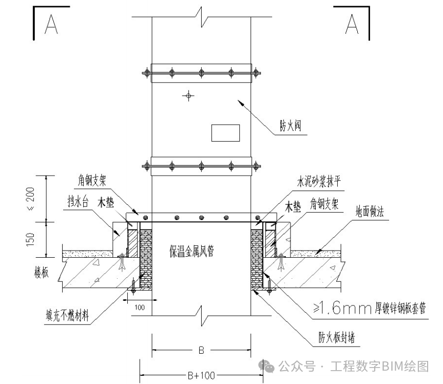
一、风管穿墙安装 1.风管穿墙安装 1.1 适用范围 根据 GB50243中6.2.1规定,在风管穿过需要封闭的防火、防暴的墙体或楼板时,应设预埋管或防护套管,其钢板厚度不应小于1.6mm。风管与防护套管之间,应用不燃且对人体无危害的柔性材料封堵。非上述隔墙可不设防护套管。 1.2 大样图 水平风管穿伸缩缝做法 水平风管穿防火墙做法 水平风管穿隔墙做法 1.3 工艺说明 1)钢套管和封堵材料应与完成面平齐;明装风管套管表面采用如上图所示得防火板封堵做法; 2)风管吊架采用双螺母锁定,螺杆露出螺杆为 2~3 扣; 3)水平风管穿墙或伸缩缝预留洞口加设 1.6mm 以上钢板套管,套管内填充不然材料。风管穿墙处套管表面加设防火板封堵,在防火板四角用膨胀螺栓固定于墙体上。防火板尺寸最少大于预留洞口50mm; 4)风管及防火阀支吊架的螺孔采用机械加工; 5)本内容参见高层民用建筑设计防火规范。 6)尺寸标准(注:边长大于 2500mm的风管支吊架应按设计规定) 二、风管穿楼板安装 2.1 大样图 竖向风管穿楼板做法 A-A剖面图 保温金属风管穿楼板 2.2 工艺说明 1)竖风管穿楼板处加设挡水台,挡水台建筑做法参照设计要求。其中穿设备层、机房、出屋面楼板需做地面防水。对于成排风管穿楼板,采用一个整体挡水台。风管一边靠墙体的情况,挡水台只考虑除剪力墙的其他方向。 2)竖风管穿楼板,风管角钢支架支腿需包进建筑挡水台内固定在楼板上。 3)竖风管穿楼板预留洞加设钢板套管,套管内填充不然材料。风管穿楼板处楼板下方加设防火板封堵,在防火板四角用膨胀螺栓固定于楼板下方。防火板尺寸最少大于预留洞口50mm。 4)本内容参见高层民用建筑设计防火规范 5)尺寸标准(注:边长大于 2500mm的风管支吊架应按设计规定。)








