您当前位置:首页 » 结构工程 » 结构图纸 » 钢结构

2025 框剪+框支剪力墙多层住宅结构施工图

  • 资料等级:
  • 授权方式:资料共享
  • 发布时间:2026-04-21
  • 资料类型:RAR
  • 资料大小:45.8 MB
  • 资料分类:结构图纸
  • 运行环境:WinXp,Win2003,WinVista,Win ;
  • 解压密码:gc5.com
2025 框剪+框支剪力墙多层住宅结构施工图
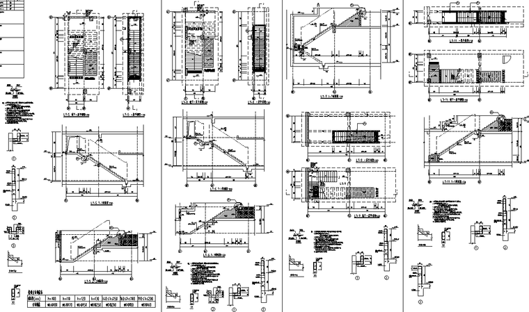
8#地块包含19栋4F联排、3栋6F叠墅、1栋1F大门、1栋1F附属配套;
13#地块包含8栋4F联排、2栋6F叠墅、1栋1F大门;

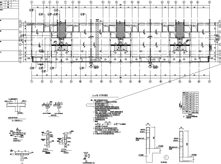
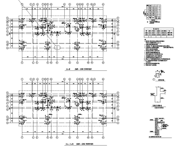
结构体系:17#~22#楼,25#~43#楼:框架一剪力墙结构。23#、24#、44#~46#楼:部分框支一剪力墙结构:W2~W4#楼:框架结构;地下室:框架一剪力墙结构;构体系:15#、16#楼:剪力墙结构。
资料截图
  • 2025 框剪+框支剪力墙多层住宅结构施工图
  • 2025 框剪+框支剪力墙多层住宅结构施工图
  • 2025 框剪+框支剪力墙多层住宅结构施工图