您当前位置:首页 » 园林工程 » 园林图纸 » 园林绿化及施工

公共绿地-道路绿化品质提升工程图纸

  • 资料等级:
  • 授权方式:资料共享
  • 发布时间:2026-04-02
  • 资料类型:RAR
  • 资料大小:78 MB
  • 资料分类:园林图纸
  • 运行环境:WinXp,Win2003,WinVista,Win ;
  • 解压密码:gc5.com
公共绿地-道路绿化品质提升工程图纸
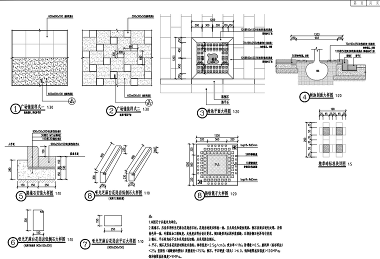
包含:封面、工程量表、总平面图、剖面图、小品详图、电动缩门大样图、园建平面图、通用大样图、特色坐凳详图设计、景观亭大样图、装饰井盖大样图、标识系统大样图、海绵城市大样图。
资料截图
  • 公共绿地-道路绿化品质提升工程图纸
  • 公共绿地-道路绿化品质提升工程图纸
  • 公共绿地-道路绿化品质提升工程图纸