您当前位置:首页 » 建筑工程 » 建筑图纸 » 工业、农业建筑

天山园区场馆园土建施工图全套

  • 资料等级:
  • 授权方式:资料共享
  • 发布时间:2026-04-02
  • 资料类型:RAR
  • 资料大小:33 MB
  • 资料分类:建筑图纸
  • 运行环境:WinXp,Win2003,WinVista,Win ;
  • 解压密码:gc5.com
天山园区场馆园土建施工图全套
天山园区场馆园建土建施工图全套

方案设计方案创意独特,制作非常详细,可以在同类项目中做参考或适当修改后使用
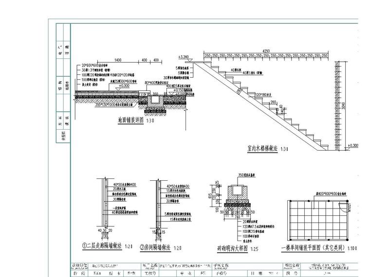
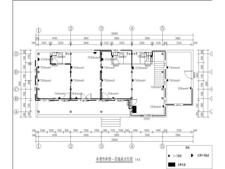
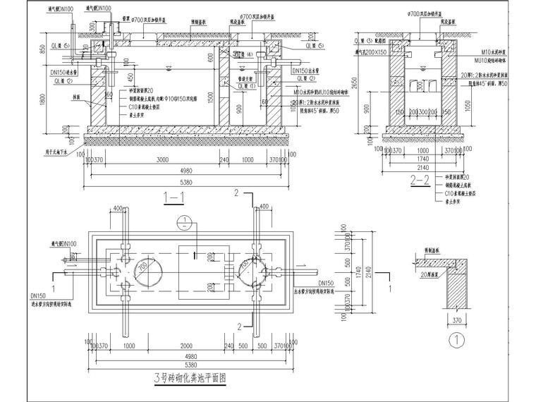
资料截图
  • 天山园区场馆园土建施工图全套
  • 天山园区场馆园土建施工图全套
  • 天山园区场馆园土建施工图全套