您当前位置:首页 » 结构工程 » 结构图纸 » 混凝土结构

2024生活污水处理站钢混结构施工图(建筑图)

  • 资料等级:
  • 授权方式:资料共享
  • 发布时间:2026-03-24
  • 资料类型:RAR
  • 资料大小:10 MB
  • 资料分类:结构图纸
  • 运行环境:WinXp,Win2003,WinVista,Win ;
  • 解压密码:gc5.com
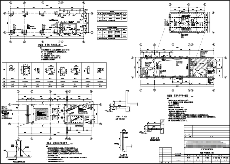
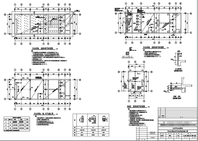
2024生活污水处理站钢混结构施工图(建筑图)
包括:结构设计说明;危险性较大的分部分项工程专篇;污泥干化池结构施工图;设备间结构施工图;污水处理池及风机房结构施工图;

资料截图
  • 2024生活污水处理站钢混结构施工图(建筑图)
  • 2024生活污水处理站钢混结构施工图(建筑图)