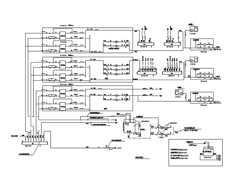
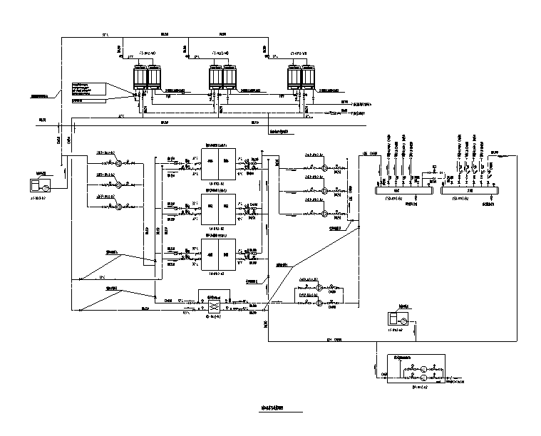
大型酒店全套给排水施工图

  • 资料等级:
  • 授权方式:资料共享
  • 发布时间:2026-04-07
  • 资料类型:RAR
  • 资料大小:70.6 MB
  • 资料分类:给排水图纸
  • 运行环境:WinXp,Win2003,WinVista,Win ;
  • 解压密码:gc5.com
大型酒店全套给排水施工图
建筑功能:酒店
高度类别:高层建筑
消防设计:室外消火栓系统,室内消火栓系统,灭火器配置系统
排水设计:污水系统,废水系统,雨水系统
资料截图
  • 大型酒店全套给排水施工图
  • 大型酒店全套给排水施工图
  • 大型酒店全套给排水施工图