本图纸为jpg格式,是200m3蓄水池施工图纸,共7张,含水池顶部、水池底部平面图、支柱配筋图等。
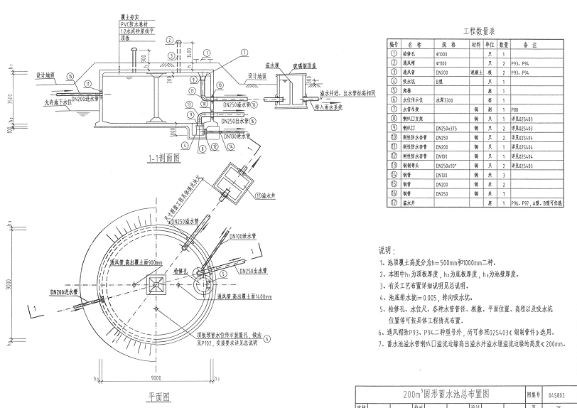
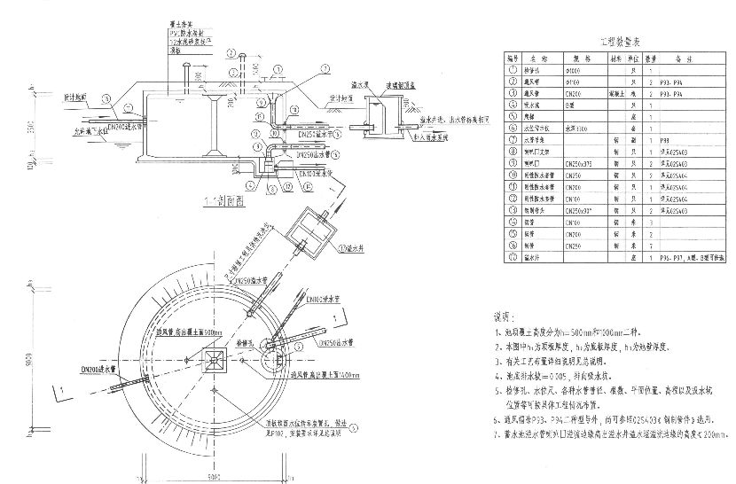
200m³圆形蓄水池说明:
1、池顶覆土高度分为h=500mm和1000mm两种;
2、本图中h1为顶板厚度,h2为地板厚度,h3为池壁厚度;
3、有关工艺布置详细说明见总说明;
4、池底排水坡i=0.005,排向吸水坑;
5、检修孔、水位尺、各种水管管径、根数、平面位置、高程以及吸水坑位置等可按具体工程情况布置;




RAR