您当前位置:首页 » 水利工程 » 水利图纸 » 引调水工程

2024 溢流直排口整治工程设计施工图 110P

  • 资料等级:
  • 授权方式:资料共享
  • 发布时间:2026-03-16
  • 资料类型:RAR
  • 资料大小:75 MB
  • 资料分类:水利图纸
  • 运行环境:WinXp,Win2003,WinVista,Win ;
  • 解压密码:gc5.com
2024 溢流直排口整治工程设计施工图 110P
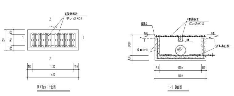
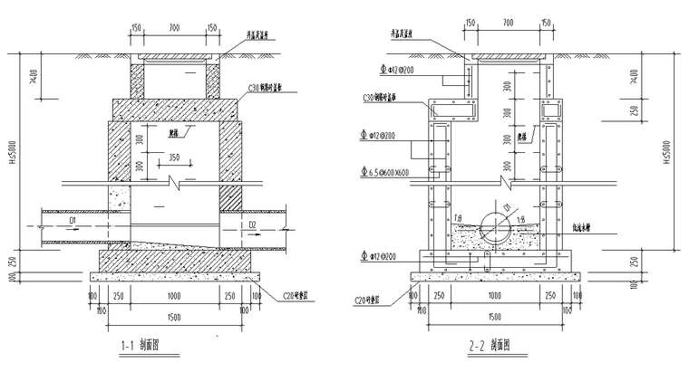
设计改造排水管网总长度5.62km,其中雨水管渠管径d300-1500×1500,长度3.39km;污水管渠尺寸d300-d400,长度2.23km,其他还涉及到泵站改造、管道缺陷修复、清淤、路面破除修复、行道树移植、路灯破坏及修复等工程。
资料截图
  • 2024 溢流直排口整治工程设计施工图 110P
  • 2024 溢流直排口整治工程设计施工图 110P
  • 2024 溢流直排口整治工程设计施工图 110P