您当前位置:首页 » 水利工程 » 土地整理

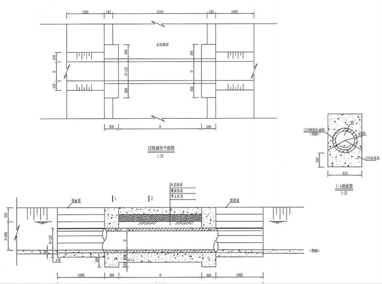
农田连片整治项目施工图设计

  • 资料等级:
  • 授权方式:资料共享
  • 发布时间:2026-03-04
  • 资料类型:RAR
  • 资料大小:15 MB
  • 资料分类:水利工程
  • 运行环境:WinXp,Win2003,WinVista,Win ;
  • 解压密码:gc5.com
农田连片整治项目施工图设计
项目建设的主要内容包括:土地平整工程、灌溉与排水工程、道路工程、绿化工程以及其他配套设施工程等。
资料截图
  • 农田连片整治项目施工图设计
  • 农田连片整治项目施工图设计