您当前位置:首页 » 水利工程 » 除险加固

森林火灾高风险区综合治理工程设计施工图

  • 资料等级:
  • 授权方式:资料共享
  • 发布时间:2026-04-13
  • 资料类型:RAR
  • 资料大小:168 MB
  • 资料分类:水利工程
  • 运行环境:WinXp,Win2003,WinVista,Win ;
  • 解压密码:gc5.com
森林火灾高风险区综合治理工程设计施工图
森林火灾高风险区综合治理工程设计施工图,word文档 CAD文档

项目规划建设生物阻隔带45公里,建设总面积2025.0亩,其中国有林地564.5亩、集体林地950.6亩、撂荒地509.9亩,项目内容包括采伐作业和造林树种更新。
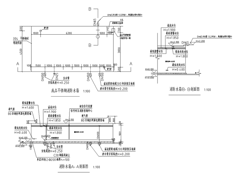
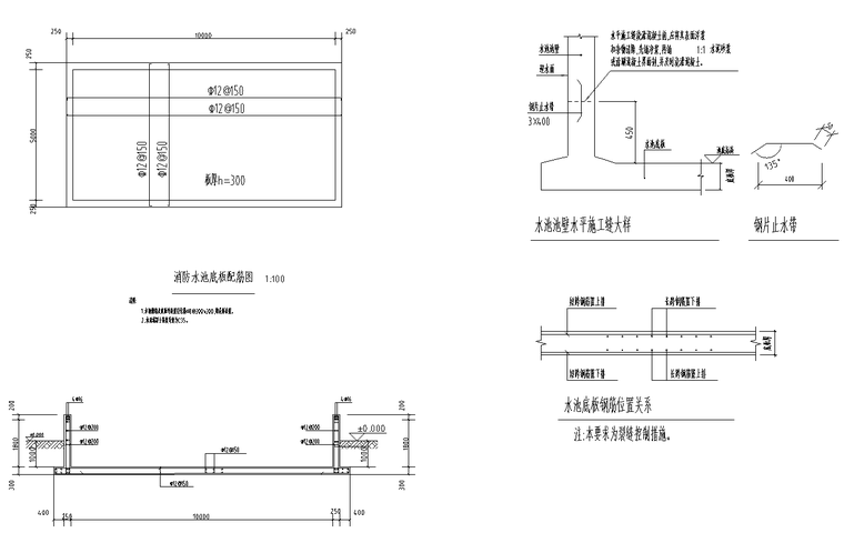
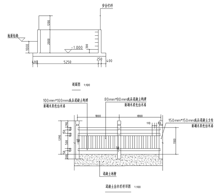
资料截图
  • 森林火灾高风险区综合治理工程设计施工图
  • 森林火灾高风险区综合治理工程设计施工图
  • 森林火灾高风险区综合治理工程设计施工图