您当前位置:首页 » 建筑工程 » 建筑施工

建筑工程钢筋施工方案 14P

  • 资料等级:
  • 授权方式:资料共享
  • 发布时间:2020-05-16
  • 资料类型:RAR
  • 资料大小:97.4 KB
  • 资料分类:建筑工程
  • 运行环境:WinXp,Win2003,WinVista,Win ;
  • 解压密码:gc5.com
建筑工程钢筋施工方案 14P
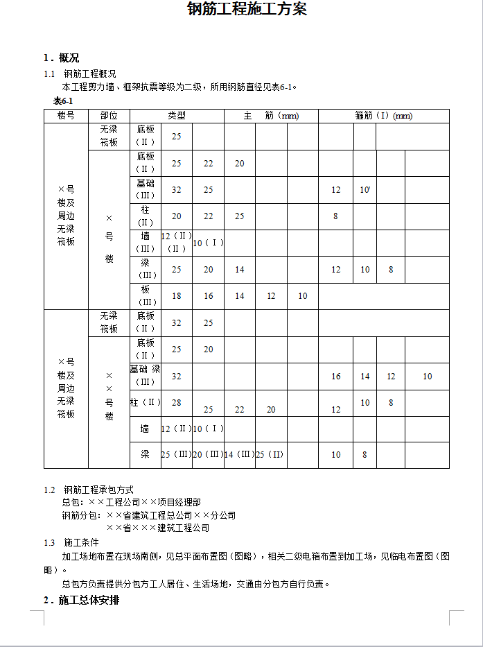
本工程剪力墙、框架抗震等级为二级,钢筋选用国家大型钢厂的热轧、低碳I级、Ⅱ级、Ⅲ级钢筋,严格执行IS09001:2000质量标准和相关程序文件。剥肋滚压直螺纹接头所用的连接套筒采用优质碳素结构钢。冷挤压接头所用的连接套筒采用20#钢。
资料截图
  • 建筑工程钢筋施工方案 14P
  • 建筑工程钢筋施工方案 14P
  • 建筑工程钢筋施工方案 14P