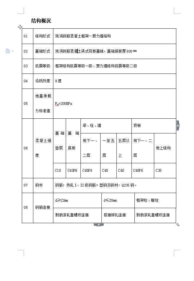
建筑面积:17963m2,占地面积:3392.10m2。地上:14层,地下:2层。±0.000m标高为绝对高程46.500m,室内外地坪高差0.900m。现浇钢筋混凝土框架—剪力墙结构,现浇钢筋混凝土梁式筏板基础,基础底板厚800㎜,框架结构抗震等级一级、剪力墙结构抗震等级二级,设防烈度:8度。
目录
第一章 编制依据................................4
第1节 主要法规...................................4
第2节 主要规范、规程、标准..........................4
........
第3节 管理目标.....................................108
第4节 工期目标..........................................108
第八章 施工总平面布置................................110






