您当前位置:首页 » 结构工程 » 结构图纸 » 砌体结构

2024 单层刚架停车棚结构施工图(建筑图)

  • 资料等级:
  • 授权方式:资料共享
  • 发布时间:2026-03-24
  • 资料类型:RAR
  • 资料大小:7.8 MB
  • 资料分类:结构图纸
  • 运行环境:WinXp,Win2003,WinVista,Win ;
  • 解压密码:gc5.com
2024 单层刚架停车棚结构施工图(建筑图)
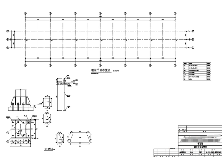
包括:结构设计说明;钢结构施工图设计说明;基础施工图;钢柱平面布置图;刚架平面布置图;屋面檩条系统布置图;
资料截图
  • 2024 单层刚架停车棚结构施工图(建筑图)
  • 2024 单层刚架停车棚结构施工图(建筑图)