您当前位置:首页 » 结构工程 » 结构图纸 » 砌体结构

2023 进出口汽车分拨中心项目结构施工图

  • 资料等级:
  • 授权方式:资料共享
  • 发布时间:2026-03-23
  • 资料类型:RAR
  • 资料大小:30 MB
  • 资料分类:结构图纸
  • 运行环境:WinXp,Win2003,WinVista,Win ;
  • 解压密码:gc5.com
2023 进出口汽车分拨中心项目结构施工图
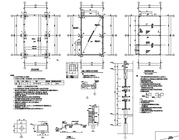
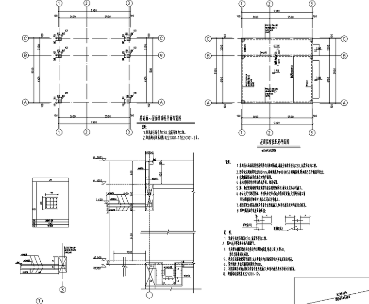
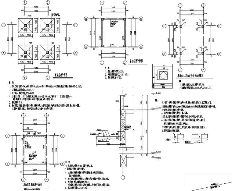
包含1#仓库、3#门卫、4#门卫、5#垃圾房、6#KT站、7#PT站。其中1#仓库设置结构抗震缝分为6个计算单体。
1#仓库 装配式钢筋混凝土框架;
垃圾房、KT 站、PT 站 现浇钢筋混凝土框架;
门卫 砖混结构;
资料截图
  • 2023 进出口汽车分拨中心项目结构施工图
  • 2023 进出口汽车分拨中心项目结构施工图
  • 2023 进出口汽车分拨中心项目结构施工图