您当前位置:首页 » 给排水工程 » 给排水图纸 » 污水处理图

2023 污水零直排提质增效工程施工图

  • 资料等级:
  • 授权方式:资料共享
  • 发布时间:2026-03-16
  • 资料类型:RAR
  • 资料大小:48.5 MB
  • 资料分类:给排水图纸
  • 运行环境:WinXp,Win2003,WinVista,Win ;
  • 解压密码:gc5.com
2023 污水零直排提质增效工程施工图
污水零直排提质增效工程施工图2023,CAD图纸
排水总平面图
平面分区图
排水平面图
工业区排水平面图
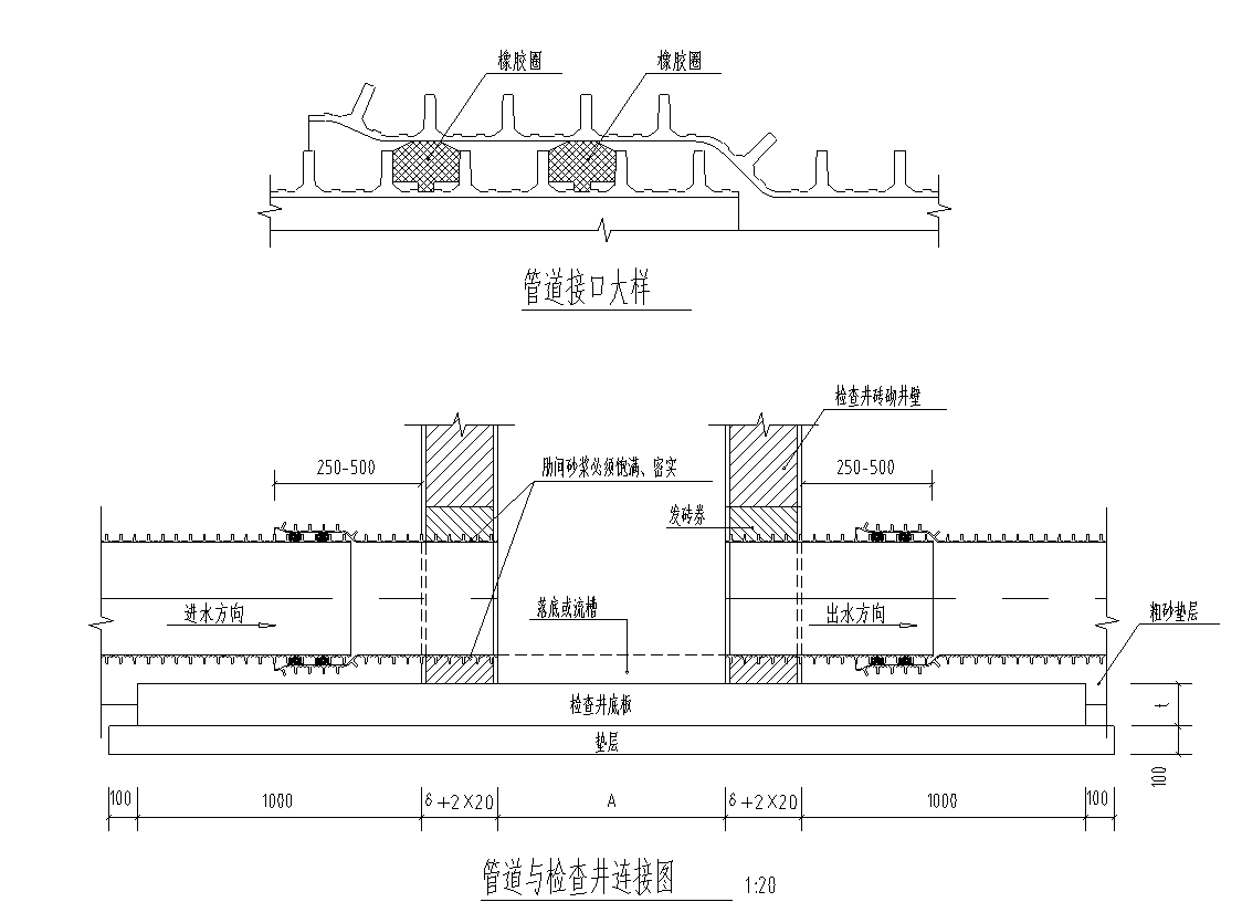
HDPE管道详图
管道混凝土方包加固图
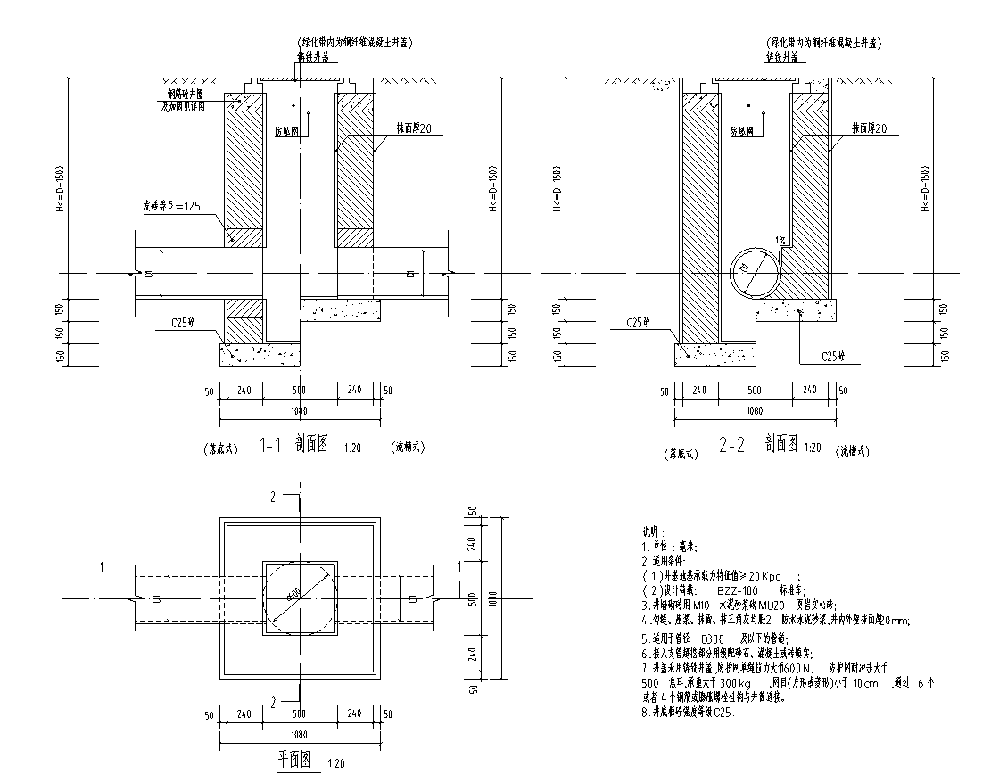
φ700mm圆形砖砌排水检查井
排水检查井、钢筋砼井圈
φ700重型球墨铸铁井盖座
500×500方形排水砖砌检查井
500×500方形砖砌排水检查井
资料截图
  • 2023 污水零直排提质增效工程施工图
  • 2023 污水零直排提质增效工程施工图
  • 2023 污水零直排提质增效工程施工图